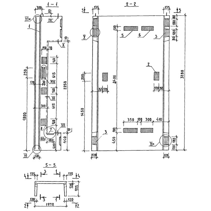
Шахта лифтовая БШЛ 50-42-2 применяется в строительстве и ремонте лифтовых систем. Она идеально подходит для установки в жилых и коммерческих зданиях, где требуется надежная и безопасная работа лифта. Железобетонная конструкция обеспечивает стабильность и устойчивость шахты, что делает ее незаменимым элементом лифтового оборудования.
 
                 
         
         
         
                     
         
         
         
         
         
         
         
         
         
         
         
         
         
         
         
         
         
         
         
         
         
         
         
         
         
         
         
         
         
         
         
         
         
        _300x150_abd.jpeg) 
        _300x150_abd.jpeg) 
        _300x150_abd.jpeg) 
        _300x150_abd.jpeg) 
         
        _300x150_abd.jpeg) 
        _300x150_abd.jpeg) 
         
        _300x150_abd.jpeg) 
        _300x150_abd.jpeg) 
        _300x150_abd.jpeg) 
         
        _300x150_abd.jpeg) 
         
         
         
         
        _300x150_abd.jpeg) 
        _300x150_abd.jpeg) 
         
         
         
         
         
         
         
         
         
         
         
        _300x150_abd.jpeg) 
        _300x150_abd.jpeg) 
        _300x150_abd.jpeg) 
        _300x150_abd.jpeg) 
        _300x150_abd.jpeg) 
        _300x150_abd.jpeg) 
        _300x150_abd.jpeg) 
        _300x150_abd.jpeg) 
        _300x150_abd.jpeg) 
        _300x150_abd.jpeg) 
        _300x150_abd.jpeg) 
        _300x150_abd.jpeg) 
        _300x150_abd.jpeg) 
         
         
         
         
         
         
        _300x150_abd.jpeg) 
        _300x150_abd.jpeg) 
        _300x150_abd.jpeg) 
        _300x150_abd.jpeg) 
         
        _300x150_abd.jpeg) 
        _300x150_abd.jpeg) 
        _300x150_abd.jpeg) 
        _300x150_abd.jpeg) 
         
         
         
         
         
         
         
         
         
         
         
         
         
         
         
         
         
         
         
         
         
         
         
         
         
         
         
         
         
         
         
         
         
         
         
         
         
         
                         
                         
                         
                         
                    









 
             
        