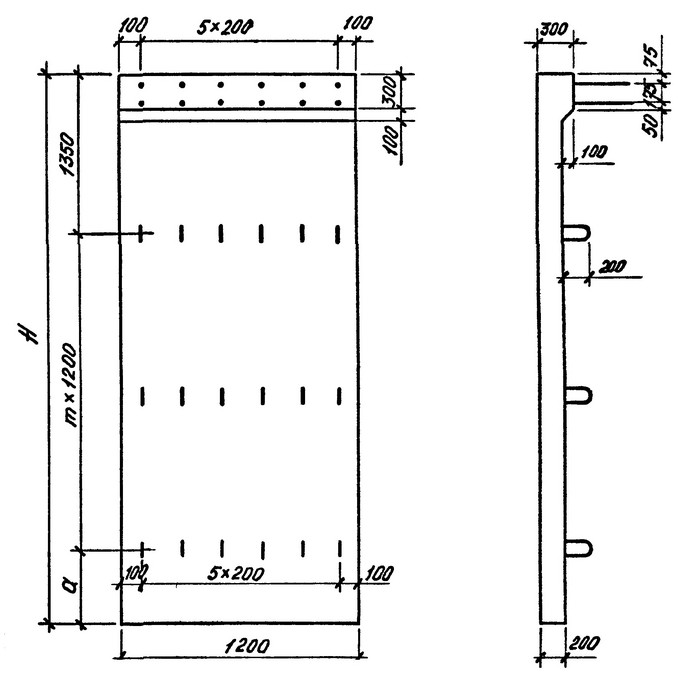
Плита фундаментная плоская ППФ 15-51 представляет собой железобетонное изделие, предназначенное для использования в строительстве фундаментов зданий и сооружений. Она имеет прочную и устойчивую конструкцию, способную выдерживать значительные нагрузки. Плита обладает плоской поверхностью, что обеспечивает удобство при укладке и обеспечивает равномерное распределение нагрузки на грунт.
Плита фундаментная плоская ППФ 15-51 широко используется в строительстве жилых, коммерческих и промышленных объектов. Она применяется для создания прочного и надежного фундамента, который обеспечивает устойчивость здания к деформациям и вибрациям. Плиты также могут использоваться для устройства временных площадок, парковочных мест и других инженерных сооружений. Благодаря своей прочности и долговечности, плиты фундаментные плоские являются незаменимым элементом при строительстве любых объектов.
 
                 
         
         
         
                     
         
         
         
         
         
         
         
         
         
         
         
         
         
         
         
         
         
         
         
         
         
         
         
         
         
         
         
         
         
         
         
         
         
        _300x150_abd.jpeg) 
        _300x150_abd.jpeg) 
        _300x150_abd.jpeg) 
        _300x150_abd.jpeg) 
         
        _300x150_abd.jpeg) 
        _300x150_abd.jpeg) 
         
        _300x150_abd.jpeg) 
        _300x150_abd.jpeg) 
        _300x150_abd.jpeg) 
         
        _300x150_abd.jpeg) 
         
         
         
         
        _300x150_abd.jpeg) 
        _300x150_abd.jpeg) 
         
         
         
         
         
         
         
         
         
         
         
        _300x150_abd.jpeg) 
        _300x150_abd.jpeg) 
        _300x150_abd.jpeg) 
        _300x150_abd.jpeg) 
        _300x150_abd.jpeg) 
        _300x150_abd.jpeg) 
        _300x150_abd.jpeg) 
        _300x150_abd.jpeg) 
        _300x150_abd.jpeg) 
        _300x150_abd.jpeg) 
        _300x150_abd.jpeg) 
        _300x150_abd.jpeg) 
        _300x150_abd.jpeg) 
         
         
         
         
         
         
        _300x150_abd.jpeg) 
        _300x150_abd.jpeg) 
        _300x150_abd.jpeg) 
        _300x150_abd.jpeg) 
         
        _300x150_abd.jpeg) 
        _300x150_abd.jpeg) 
        _300x150_abd.jpeg) 
        _300x150_abd.jpeg) 
         
         
         
         
         
         
         
         
         
         
         
         
         
         
         
         
         
         
         
         
         
         
         
         
         
         
         
         
         
         
         
         
         
         
         
         
         
         
         
         
         
         
         
                         
                         
                         
                         
                    









 
             
        