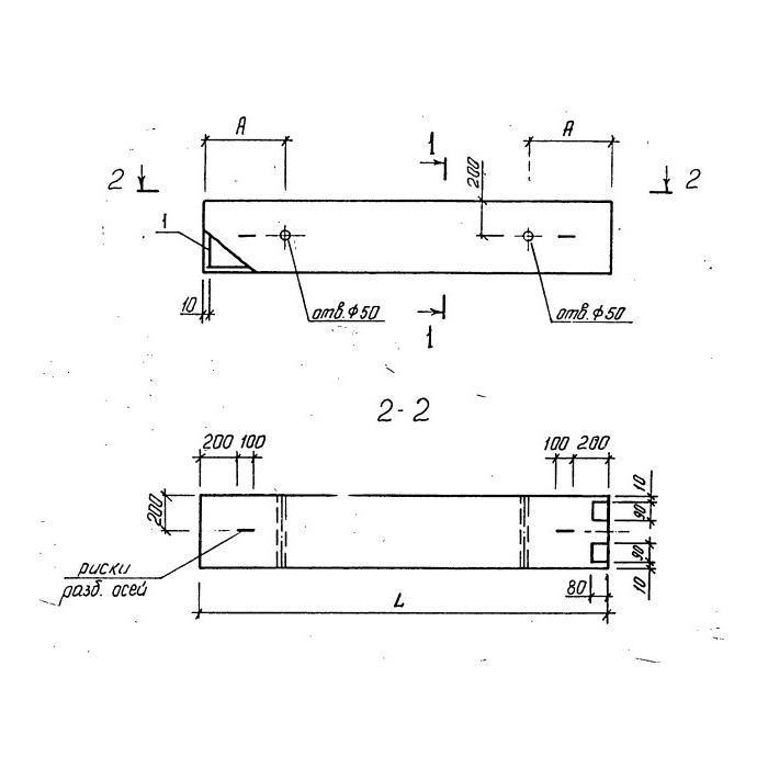
Колонна железобетонная 2КНД 60-72-4-36-00 представляет собой железобетонный элемент сечением 60х72 см и высотой 4 метра. Изготовлена из высококачественного железобетона, что обеспечивает прочность и долговечность конструкции. Применяется для строительства зданий и сооружений различного назначения, где требуется надежная опора и поддержка.
Колонна железобетонная 2КНД 60-72-4-36-00 идеально подходит для использования в строительстве жилых домов, промышленных зданий, складов, а также для возведения опорных конструкций мостов и путепроводов. Ее прочность и устойчивость делают ее незаменимым элементом при возведении надежных и долговечных сооружений. Колонна отвечает всем требованиям безопасности и надежности, что делает ее идеальным выбором для любого строительного проекта.
 
                 
         
         
         
                     
         
         
         
         
         
         
         
         
         
         
         
         
         
         
         
         
         
         
         
         
         
         
         
         
         
         
         
         
         
         
         
         
         
         
        _300x150_abd.jpeg) 
        _300x150_abd.jpeg) 
        _300x150_abd.jpeg) 
        _300x150_abd.jpeg) 
         
        _300x150_abd.jpeg) 
        _300x150_abd.jpeg) 
         
        _300x150_abd.jpeg) 
        _300x150_abd.jpeg) 
        _300x150_abd.jpeg) 
         
        _300x150_abd.jpeg) 
         
         
         
         
        _300x150_abd.jpeg) 
        _300x150_abd.jpeg) 
         
         
         
         
         
         
         
         
         
         
         
        _300x150_abd.jpeg) 
        _300x150_abd.jpeg) 
        _300x150_abd.jpeg) 
        _300x150_abd.jpeg) 
        _300x150_abd.jpeg) 
        _300x150_abd.jpeg) 
        _300x150_abd.jpeg) 
        _300x150_abd.jpeg) 
        _300x150_abd.jpeg) 
        _300x150_abd.jpeg) 
        _300x150_abd.jpeg) 
        _300x150_abd.jpeg) 
        _300x150_abd.jpeg) 
         
         
         
         
         
         
        _300x150_abd.jpeg) 
        _300x150_abd.jpeg) 
        _300x150_abd.jpeg) 
        _300x150_abd.jpeg) 
         
        _300x150_abd.jpeg) 
        _300x150_abd.jpeg) 
        _300x150_abd.jpeg) 
        _300x150_abd.jpeg) 
         
         
         
         
         
         
         
         
         
         
         
         
         
         
         
         
         
         
         
         
         
         
         
         
         
         
         
         
         
         
         
         
         
         
         
         
         
         
         
         
         
         
         
                         
                         
                         
                         
                    









 
             
        