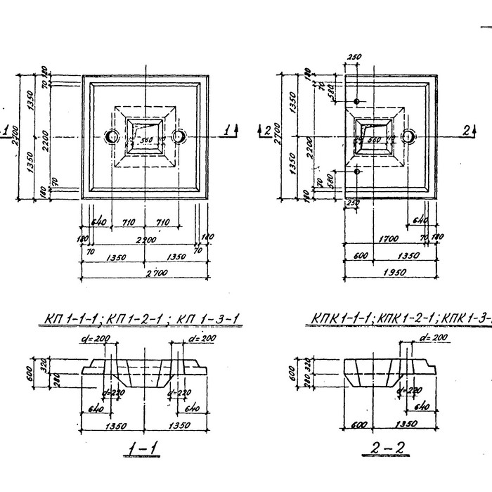
Колонна железобетонная КПК 1-5 представляет собой прочное и надежное железобетонное изделие, предназначенное для использования в строительстве. Она имеет высокую прочность и устойчивость к воздействию различных нагрузок, что делает ее идеальным выбором для создания надежных опорных конструкций.
Колонны железобетонные КПК 1-5 широко используются в строительстве различных объектов, таких как жилые дома, офисные здания, промышленные сооружения и другие. Они могут быть использованы как опоры для перекрытий, а также как элементы несущих конструкций. Благодаря своей прочности и долговечности, колонны КПК 1-5 обеспечивают надежную поддержку здания и обеспечивают его стабильность и безопасность.
 
                 
         
         
         
                     
         
         
         
         
         
         
         
         
         
         
         
         
         
         
         
         
         
         
         
         
         
         
         
         
         
         
         
         
         
         
         
         
         
        _300x150_abd.jpeg) 
        _300x150_abd.jpeg) 
        _300x150_abd.jpeg) 
        _300x150_abd.jpeg) 
         
        _300x150_abd.jpeg) 
        _300x150_abd.jpeg) 
         
        _300x150_abd.jpeg) 
        _300x150_abd.jpeg) 
        _300x150_abd.jpeg) 
         
        _300x150_abd.jpeg) 
         
         
         
         
        _300x150_abd.jpeg) 
        _300x150_abd.jpeg) 
         
         
         
         
         
         
         
         
         
         
         
        _300x150_abd.jpeg) 
        _300x150_abd.jpeg) 
        _300x150_abd.jpeg) 
        _300x150_abd.jpeg) 
        _300x150_abd.jpeg) 
        _300x150_abd.jpeg) 
        _300x150_abd.jpeg) 
        _300x150_abd.jpeg) 
        _300x150_abd.jpeg) 
        _300x150_abd.jpeg) 
        _300x150_abd.jpeg) 
        _300x150_abd.jpeg) 
        _300x150_abd.jpeg) 
         
         
         
         
         
         
        _300x150_abd.jpeg) 
        _300x150_abd.jpeg) 
        _300x150_abd.jpeg) 
        _300x150_abd.jpeg) 
         
        _300x150_abd.jpeg) 
        _300x150_abd.jpeg) 
        _300x150_abd.jpeg) 
        _300x150_abd.jpeg) 
         
         
         
         
         
         
         
         
         
         
         
         
         
         
         
         
         
         
         
         
         
         
         
         
         
         
         
         
         
         
         
         
         
                         
                         
                         
                         
                    









 
             
        